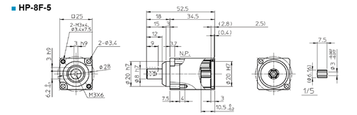
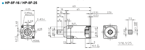
HP8 Miniature Planetary Gearhead
New miniature high-performance gearheads for small servomotors – Connect the new CP/HP gearhead to a small servomotor (5W-20W) to create an ultra-compact high performance servo actuator. These new gearheads are available with removable input HUB pinion assembly (CP) or standalone pinion with precision through bore (HP). They are ideally suited for semiconductor and medical applications.
- Size: 25mm Square
- Ratios: 5:1, 16:1, 25:1
- Quick Delivery
- Low Backlash ≤30 arc-min
Ordering Code
| HP | - | 8 | F | - | 16 |
| 1 | 2 | 3 | 4 |
| 1. |
Model* |
: HP or CP |
| 2. |
Size |
: 8 |
| 3. | Design Version |
: F (small) |
| 4. | Gear Ratio |
: 5, 16, 25 |
*note:
CP - Includes removable input HUB pinion assembly version
HP - Includes stand alone pinion with precision thru bore
Rating Table
| Size | Ratio | Dimension | Rated Torque | Repeated Torque | Momentary Peak Torque | Allowable Max Speed | Allowable Radial Load | Allowable Axial Load | Mass |
| mm | Nm | Nm | Nm | rpm | N | N | kg | ||
| HP-8F | 5 | 25 | 0.4 | 2.26 | 5.88 | 5000 | 52 | 47 | 0.12 |
| 16 | 25 | 1.07 | 2.55 | 5.88 | 5000 | 76 | 47 | 0.15 | |
| 25 | 25 | 1.57 | 2.56 | 5.88 | 5000 | 89 | 47 | 0.15 |
Performance
| Item | Measurement Condition | Value | Measurement Condition |
| Backlash | ± 5% Rated Torque | ≤ 30 arc-min | ± 5% Rated Torque |
| Transmission Error | No Load | ≤ 30 arc-min | No Load |
| Efficiency 28°C | Rated Torque @ 3000 rpm | 80% | Rated Torque @ 3000 rpm |
| Life(L10) | Rated Torque | 20,000 hrs | Rated Torque |
Dimensions


