HDE
As we introduce new products that provide greater performance, reliability and value, older product lines are sometimes displaced. We continue to manufacture and support these legacy products, even though they can no longer be used for new applications.
|
Contact our experts to find the right solution and get started today! |
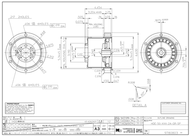
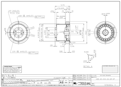
Drawings
|
|
|
|
|






